Warren, OH
330-847-7644
Our Brands
Toggle navigation
Home
Financing
Brands
Manufacturer Models
OEM Promotions
Yamaha
Triumph
Royal Enfield
Kayo
Stacyc
Inventory
All Inventory In Stock
New Inventory In Stock
Used Inventory
Value Your Trade-In
Request a Model
Schedule a Test Ride
Secure Financing
Parts
Parts Department
Parts Finder
Service
Service Department
Warranty & Recall Look-Up
About
Our Dealership
Our Team
Reviews
Customer Survey
Newsletter Sign-Up
Employment
Events Calendar
Gift Cards
Location & Hours
Contact
Warren, OH
|
Fiche | Parts Diagrams
2015 Yamaha
Home
›
Parts
›
Parts Finder
Search by :
Part / Desc
VIN
Yamaha
*Please enter at least 3 characters
SEARCH
Manufacturer
Yamaha
Boats
2015
212SS (XAT1800DP/XAT1800CP)
VIEW WISH LIST
Select a Section
Show/Hide
BIMINI TOP / CARPET
BREATHER OIL
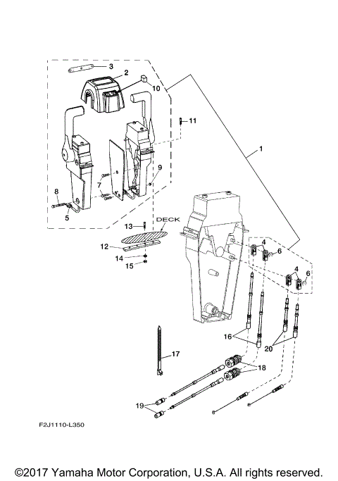
CONTROL CABLE
CRANKCASE
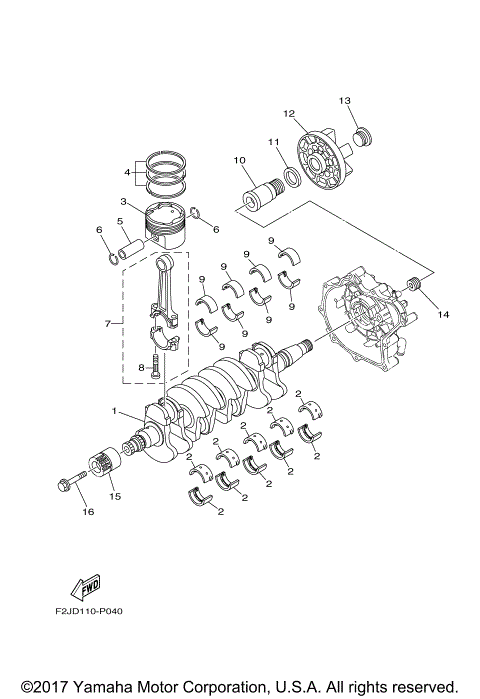
CRANKSHAFT & PISTON
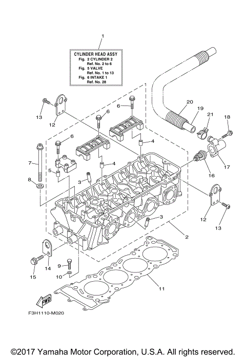
CYLINDER 1
CYLINDER 2
DECK DRAIN FITTINGS
DECK HATCH 1
DECK HATCH 2
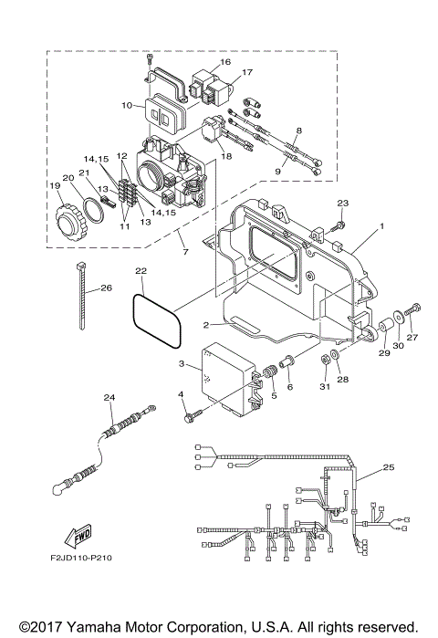
ELECTRICAL 1
ELECTRICAL 2
ELECTRICAL 3
ELECTRICAL 4
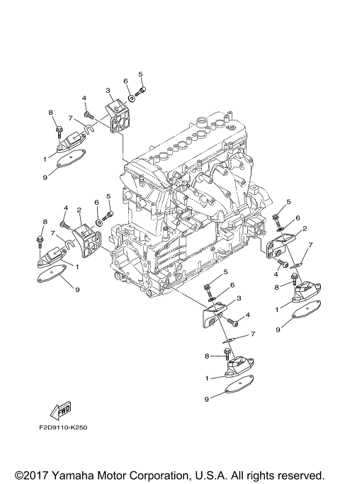
ENGINE MOUNT
EXHAUST 1
EXHAUST 2
EXHAUST 3
FUEL TANK
GENERATOR
GRAPHICS & MATS
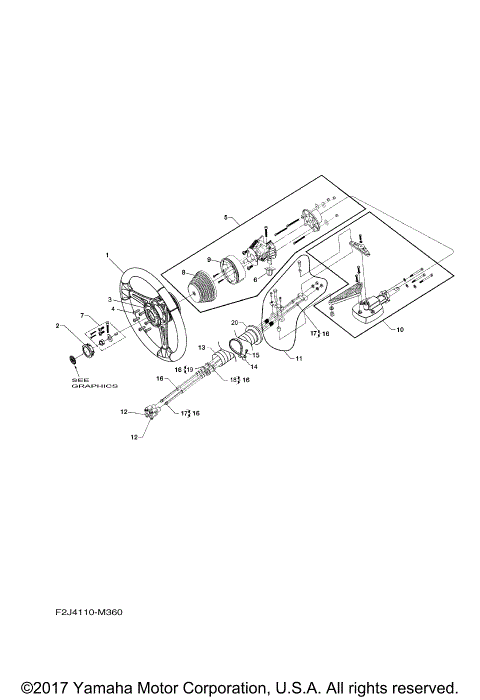
HELM
HULL DECK FITTINGS
IMPORTANT LABELS
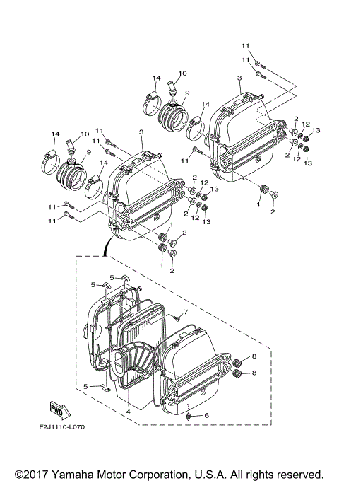
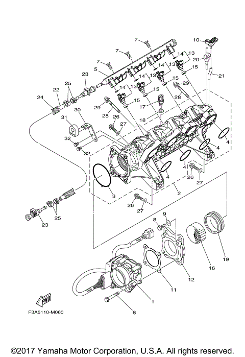
INTAKE 1
INTAKE 2
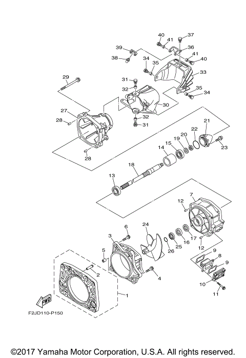
JET UNIT 1
JET UNIT 2
JET UNIT 3
JET UNIT 4
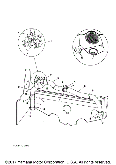
OIL COOLER
OIL PAN
OIL PUMP
REPAIR KIT 1
SEAT CUSHION
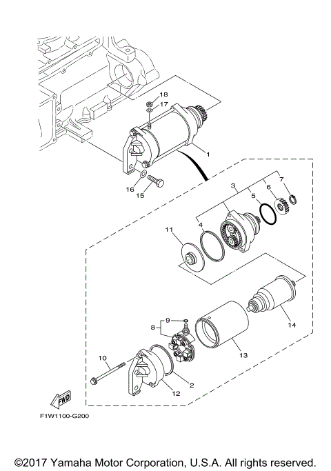
STARTING MOTOR
STEERING
STEREO EQUIPMENT
SWIVEL SEAT
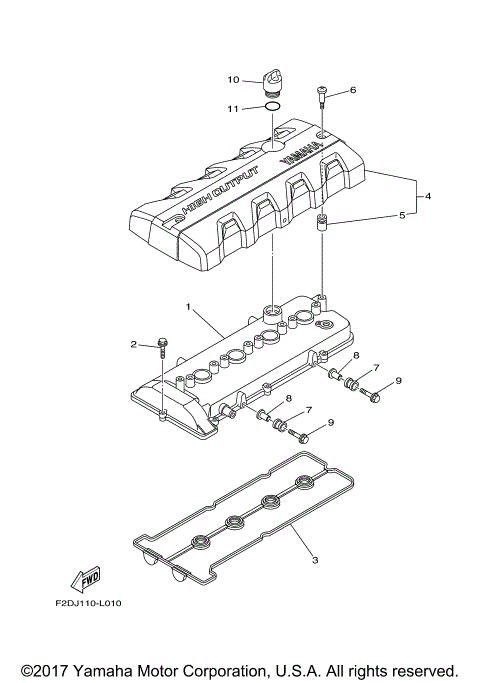
VALVE
VENTILATION SYSTEM
BIMINI TOP / CARPET
BREATHER OIL
CONTROL CABLE
CRANKCASE
CRANKSHAFT & PISTON
CYLINDER 1
CYLINDER 2
DECK DRAIN FITTINGS
DECK HATCH 1
DECK HATCH 2
ELECTRICAL 1
ELECTRICAL 2
ELECTRICAL 3
ELECTRICAL 4
ENGINE MOUNT
EXHAUST 1
EXHAUST 2
EXHAUST 3
FUEL TANK
GENERATOR
GRAPHICS & MATS
HELM
HULL DECK FITTINGS
IMPORTANT LABELS
INTAKE 1
INTAKE 2
JET UNIT 1
JET UNIT 2
JET UNIT 3
JET UNIT 4
OIL COOLER
OIL PAN
OIL PUMP
REPAIR KIT 1
SEAT CUSHION
STARTING MOTOR
STEERING
STEREO EQUIPMENT
SWIVEL SEAT
VALVE
VENTILATION SYSTEM
VIEW WISH LIST