Warren, OH
330-847-7644
Our Brands
Toggle navigation
Home
Financing
Brands
Manufacturer Models
OEM Promotions
Yamaha
Triumph
Royal Enfield
Kayo
Stacyc
Inventory
All Inventory In Stock
New Inventory In Stock
Used Inventory
Value Your Trade-In
Request a Model
Schedule a Test Ride
Secure Financing
Parts
Parts Department
Parts Finder
Service
Service Department
Warranty & Recall Look-Up
About
Our Dealership
Our Team
Reviews
Customer Survey
Newsletter Sign-Up
Employment
Events Calendar
Gift Cards
Location & Hours
Contact
Warren, OH
|
Fiche | Parts Diagrams
2007 Yamaha
Home
›
Parts
›
Parts Finder
Search by :
Part / Desc
VIN
Yamaha
*Please enter at least 3 characters
SEARCH
Manufacturer
Yamaha
Golf Carts
2007
G22EE
VIEW WISH LIST
Select a Section
Show/Hide
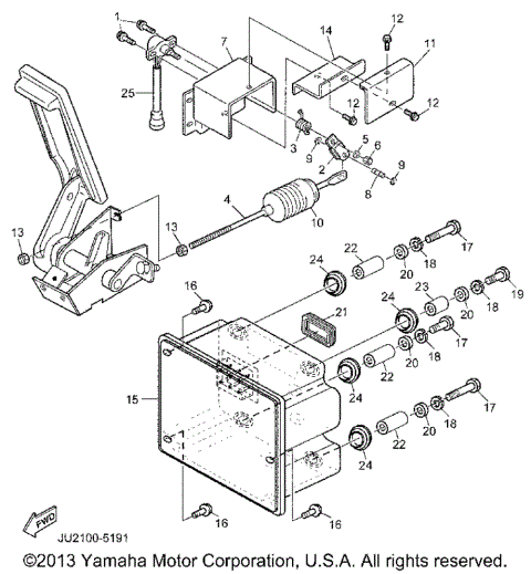
ACCELERATOR
BATTERY CHARGER DPI
BATTERY CHARGER MAC
BODY 1
BODY 2
BODY FITTING
BRAKE 1
BRAKE 2
BRAKE 3
BUMPER
CARRIER
CONTROLLER 1 GE TO JU2-202130
CONTROLLER 1 MORIC JU2-202131 UP
ELECTRIC MOTOR ADC JU2-205701 UP
ELECTRIC MOTOR GE TO JU2-205700
ELECTRIC MOTOR HITACHI
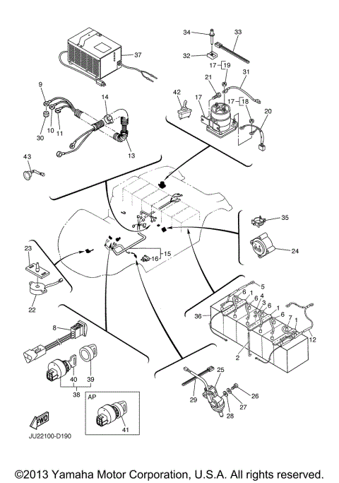
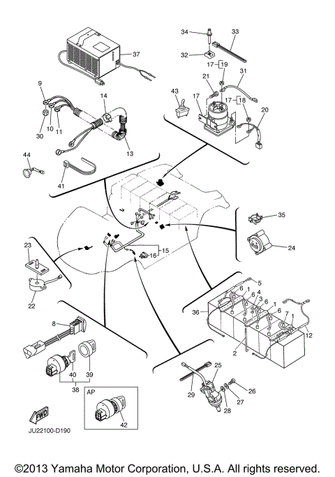
ELECTRICAL 1 JU2-205701 TO 305999
ELECTRICAL 1 JU2-306201 UP LE MODEL ADC MOTOR
ELECTRICAL 1 JU2-306201 UP WITH HITACHI MOTOR
ELECTRICAL 1 TO JU2-205700
FRAME
FRONT SUSPENSION WHEEL
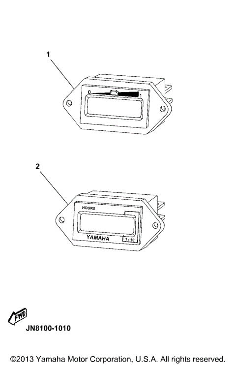
OPTIONAL ENERGY/HOUR GAUGES
OPTIONAL HUB CAPS
OPTIONAL LIGHT KIT
OPTIONAL LIGHT KIT STREAMLINE JU2
OPTIONAL SUN ROOF
OPTIONAL WINDSHIELD
REAR ARM SUSPENSION
REAR AXLE MOUNT WHEEL
SEAT
STEERING
TRANSAXLE JU2-200101 UP
TRANSAXLE TO JU2-199900
ACCELERATOR
BATTERY CHARGER DPI
BATTERY CHARGER MAC
BODY 1
BODY 2
BODY FITTING
BRAKE 1
BRAKE 2
BRAKE 3
BUMPER
CARRIER
CONTROLLER 1 GE TO JU2-202130
CONTROLLER 1 MORIC JU2-202131 UP
ELECTRIC MOTOR ADC JU2-205701 UP
ELECTRIC MOTOR GE TO JU2-205700
ELECTRIC MOTOR HITACHI
ELECTRICAL 1 JU2-205701 TO 305999
ELECTRICAL 1 JU2-306201 UP LE MODEL ADC MOTOR
ELECTRICAL 1 JU2-306201 UP WITH HITACHI MOTOR
ELECTRICAL 1 TO JU2-205700
FRAME
FRONT SUSPENSION WHEEL
OPTIONAL ENERGY/HOUR GAUGES
OPTIONAL HUB CAPS
OPTIONAL LIGHT KIT
OPTIONAL LIGHT KIT STREAMLINE JU2
OPTIONAL SUN ROOF
OPTIONAL WINDSHIELD
REAR ARM SUSPENSION
REAR AXLE MOUNT WHEEL
SEAT
STEERING
TRANSAXLE JU2-200101 UP
TRANSAXLE TO JU2-199900
VIEW WISH LIST