Warren, OH
330-847-7644
Our Brands
Toggle navigation
Home
Financing
Brands
Manufacturer Models
OEM Promotions
Yamaha
Triumph
Royal Enfield
Kayo
Stacyc
Inventory
All Inventory In Stock
New Inventory In Stock
Used Inventory
Value Your Trade-In
Request a Model
Schedule a Test Ride
Secure Financing
Parts
Parts Department
Parts Finder
Service
Service Department
Warranty & Recall Look-Up
About
Our Dealership
Our Team
Reviews
Customer Survey
Newsletter Sign-Up
Employment
Events Calendar
Gift Cards
Location & Hours
Contact
Warren, OH
|
Fiche | Parts Diagrams
2008 Yamaha
Home
›
Parts
›
Parts Finder
Search by :
Part / Desc
VIN
Yamaha
*Please enter at least 3 characters
SEARCH
Manufacturer
Yamaha
Golf Carts
2008
G27AF
VIEW WISH LIST
Select a Section
Show/Hide
ACCELERATOR
AIR SHROUD FAN
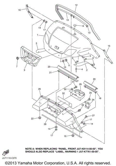
BODY 1
BODY 2
BODY FITTING
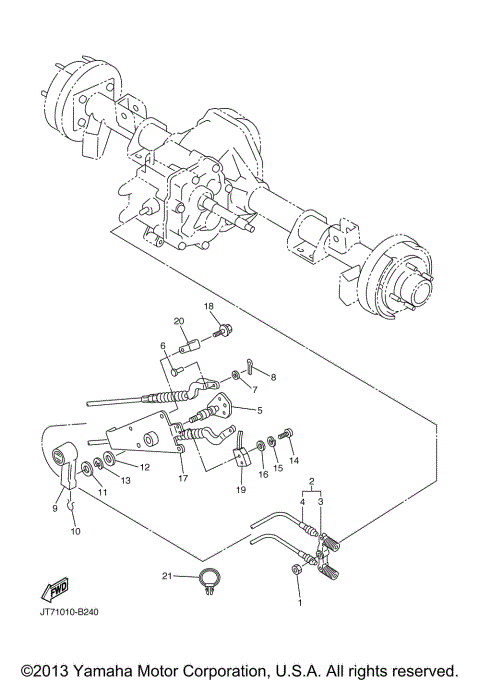
BRAKE 1
BRAKE 2
BRAKE 3
BUMPER
CAMSHAFT VALVE
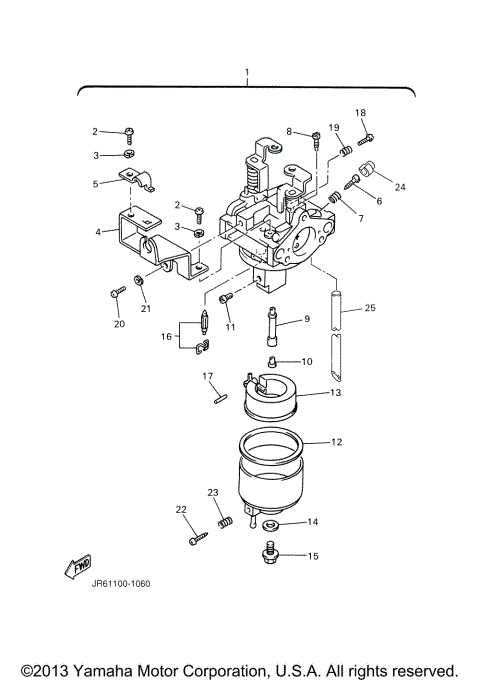
CARBURETOR
CARRIER
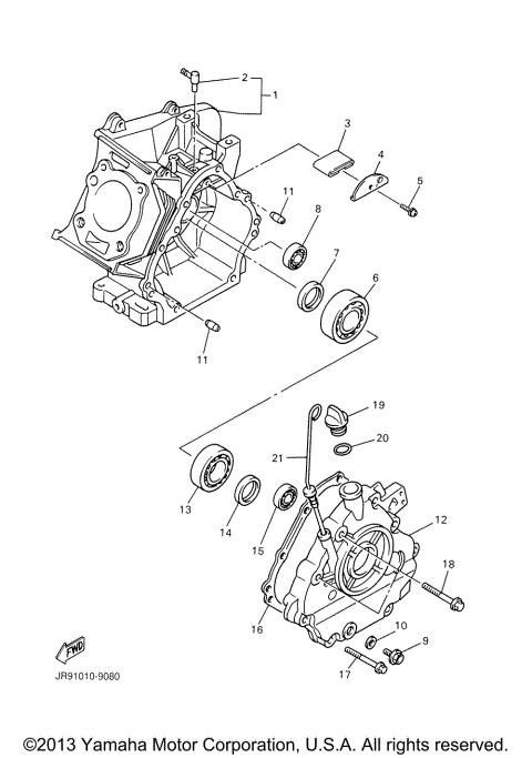
CRANKCASE
CRANKSHAFT PISTON
CYLINDER HEAD
ELECTRICAL 1 JU7-300101 UP
ELECTRICAL 1 TO JU7-300100
ELECTRICAL 2
ENGINE ASSEMBLY
ENGINE BRACKET
EXHAUST
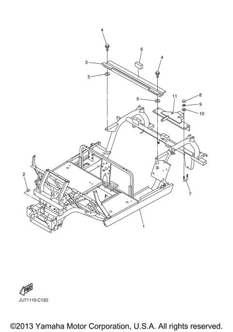
FRAME
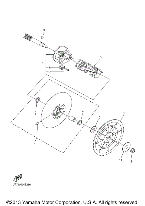
FRONT SUSPENSION WHEEL
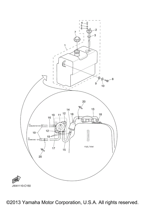
FUEL TANK JU7-300301 UP
FUEL TANK TO JU7-300300
GOVERNOR
HEADLIGHT
INTAKE
PRIMARY SHEAVE
REAR ARM SUSPENSION
REAR AXLE MOUNT WHEEL
SEAT
SECONDARY SHEAVE
SHIFTER CABLES
STARTING MOTOR
STEERING
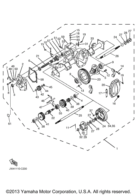
TRANSMISSION 1
ACCELERATOR
AIR SHROUD FAN
BODY 1
BODY 2
BODY FITTING
BRAKE 1
BRAKE 2
BRAKE 3
BUMPER
CAMSHAFT VALVE
CARBURETOR
CARRIER
CRANKCASE
CRANKSHAFT PISTON
CYLINDER HEAD
ELECTRICAL 1 JU7-300101 UP
ELECTRICAL 1 TO JU7-300100
ELECTRICAL 2
ENGINE ASSEMBLY
ENGINE BRACKET
EXHAUST
FRAME
FRONT SUSPENSION WHEEL
FUEL TANK JU7-300301 UP
FUEL TANK TO JU7-300300
GOVERNOR
HEADLIGHT
INTAKE
PRIMARY SHEAVE
REAR ARM SUSPENSION
REAR AXLE MOUNT WHEEL
SEAT
SECONDARY SHEAVE
SHIFTER CABLES
STARTING MOTOR
STEERING
TRANSMISSION 1
VIEW WISH LIST