Warren, OH
330-847-7644
Our Brands
Toggle navigation
Home
Financing
Brands
Manufacturer Models
OEM Promotions
Yamaha
Triumph
Royal Enfield
Kayo
Stacyc
Inventory
All Inventory In Stock
New Inventory In Stock
Used Inventory
Value Your Trade-In
Request a Model
Schedule a Test Ride
Secure Financing
Parts
Parts Department
Parts Finder
Service
Service Department
Warranty & Recall Look-Up
About
Our Dealership
Our Team
Reviews
Customer Survey
Newsletter Sign-Up
Employment
Events Calendar
Gift Cards
Location & Hours
Contact
Warren, OH
|
Fiche | Parts Diagrams
2015 Yamaha
Home
›
Parts
›
Parts Finder
Search by :
Part / Desc
VIN
Yamaha
*Please enter at least 3 characters
SEARCH
Manufacturer
Yamaha
Golf Carts
2015
TWO YTF2EX5
VIEW WISH LIST
Select a Section
Show/Hide
ALTERNATE FOR SUN ROOF
ALTERNATE FOR WINDSHIELD
BATTERY CHARGER
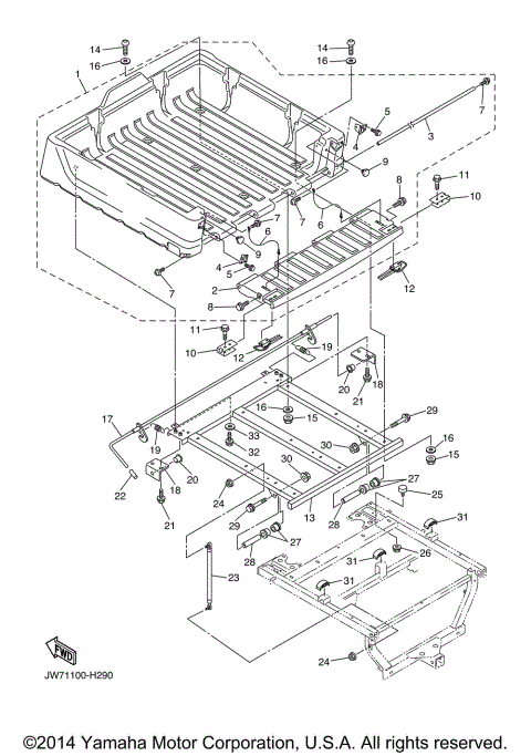
BODY
BODY 2
BODY FITTING
BRAKE 1
BRAKE 2
BUMPER
CARRIER
CONTROLLER 1
ELECTRIC MOTOR
ELECTRICAL 1
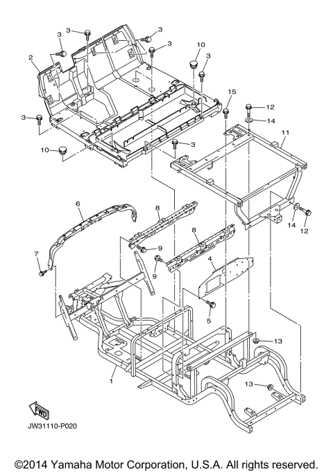
FRAME
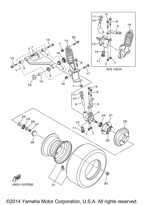
FRONT SUSPENSION & WHEEL
HEAD & TAIL LIGHT
PEDAL ASSEMBLY
PEDAL WIRE
REAR ARM & SUSPENSION
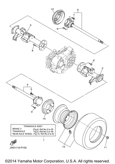
REAR AXLE & WHEEL
SEAT
STEERING
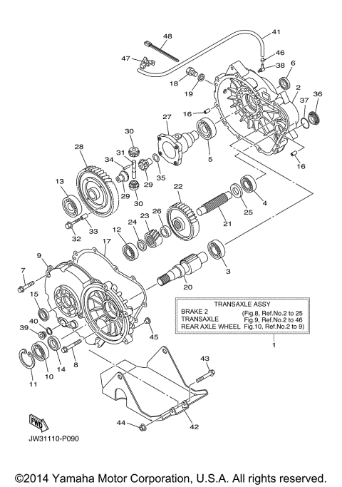
TRANSAXLE
ALTERNATE FOR SUN ROOF
ALTERNATE FOR WINDSHIELD
BATTERY CHARGER
BODY
BODY 2
BODY FITTING
BRAKE 1
BRAKE 2
BUMPER
CARRIER
CONTROLLER 1
ELECTRIC MOTOR
ELECTRICAL 1
FRAME
FRONT SUSPENSION & WHEEL
HEAD & TAIL LIGHT
PEDAL ASSEMBLY
PEDAL WIRE
REAR ARM & SUSPENSION
REAR AXLE & WHEEL
SEAT
STEERING
TRANSAXLE
VIEW WISH LIST