Warren, OH
330-847-7644
Our Brands
Toggle navigation
Home
Financing
Brands
Manufacturer Models
OEM Promotions
Yamaha
Triumph
Royal Enfield
Kayo
Stacyc
Inventory
All Inventory In Stock
New Inventory In Stock
Used Inventory
Value Your Trade-In
Request a Model
Schedule a Test Ride
Secure Financing
Parts
Parts Department
Parts Finder
Service
Service Department
Warranty & Recall Look-Up
About
Our Dealership
Our Team
Reviews
Customer Survey
Newsletter Sign-Up
Employment
Events Calendar
Gift Cards
Location & Hours
Contact
Warren, OH
|
Fiche | Parts Diagrams
2016 Yamaha
Home
›
Parts
›
Parts Finder
Search by :
Part / Desc
VIN
Yamaha
*Please enter at least 3 characters
SEARCH
Manufacturer
Yamaha
Multi Purpose Engines
2016
MX360AA6L6
VIEW WISH LIST
Select a Section
Show/Hide
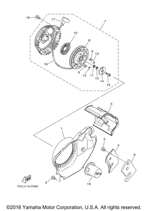
AIR SHROUD STARTER
BODY FITTING
CAMSHAFT VALVE
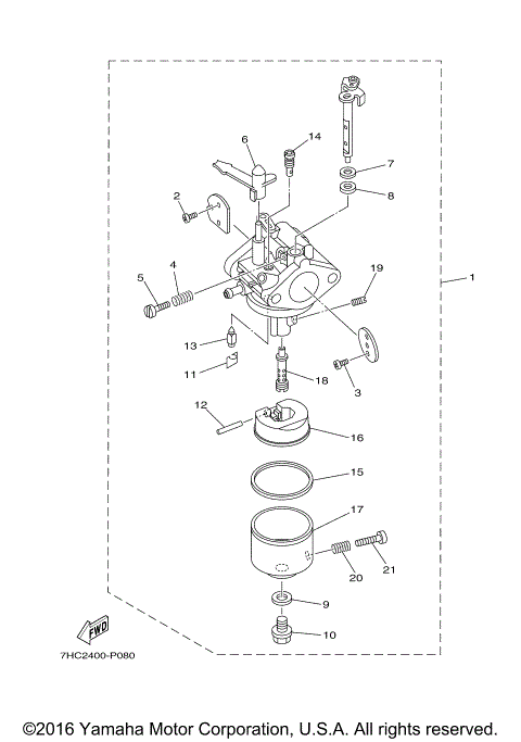
CARBURETOR
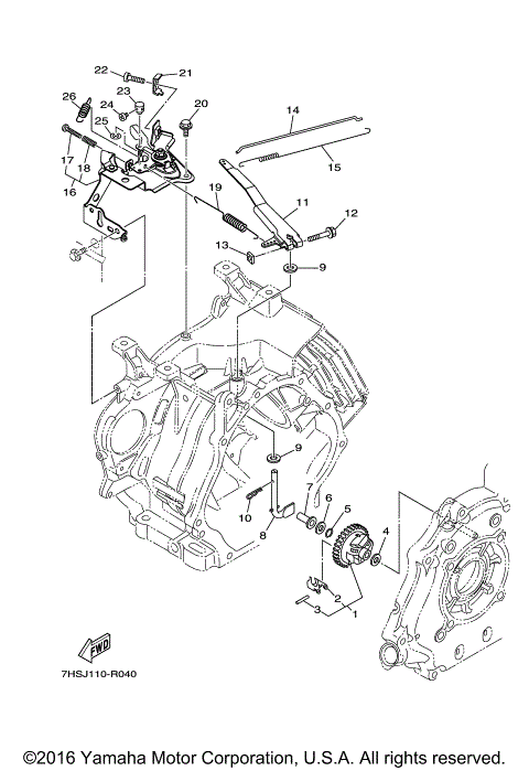
CRANKCASE
CRANKSHAFT
CRANKSHAFT PISTON
CYLINDER
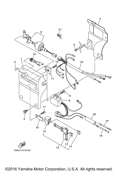
ELECTRICAL
EMBLEM LABEL
EXHAUST
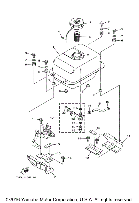
FUEL TANK
GOVERNOR
INTAKE
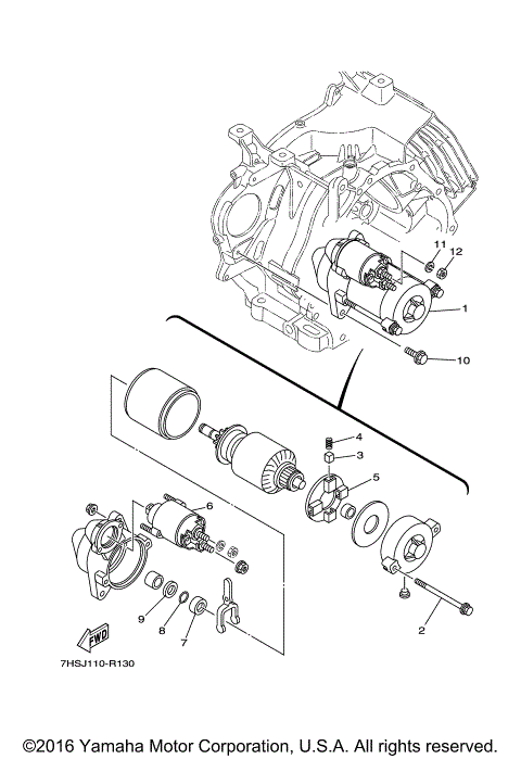
STARTING MOTOR
TCI MAGNETO
AIR SHROUD STARTER
BODY FITTING
CAMSHAFT VALVE
CARBURETOR
CRANKCASE
CRANKSHAFT
CRANKSHAFT PISTON
CYLINDER
ELECTRICAL
EMBLEM LABEL
EXHAUST
FUEL TANK
GOVERNOR
INTAKE
STARTING MOTOR
TCI MAGNETO
VIEW WISH LIST