Warren, OH
330-847-7644
Our Brands
Toggle navigation
Home
Financing
Brands
Manufacturer Models
OEM Promotions
Yamaha
Triumph
Royal Enfield
Kayo
Stacyc
Inventory
All Inventory In Stock
New Inventory In Stock
Used Inventory
Value Your Trade-In
Request a Model
Schedule a Test Ride
Secure Financing
Parts
Parts Department
Parts Finder
Service
Service Department
Warranty & Recall Look-Up
About
Our Dealership
Our Team
Reviews
Customer Survey
Newsletter Sign-Up
Employment
Events Calendar
Gift Cards
Location & Hours
Contact
Warren, OH
|
Fiche | Parts Diagrams
2016 Yamaha
Home
›
Parts
›
Parts Finder
Search by :
Part / Desc
VIN
Yamaha
*Please enter at least 3 characters
SEARCH
Manufacturer
Yamaha
Multi Purpose Engines
2016
MX825VJ7L6/MX825VJ7W6/MX825VJ7X6
VIEW WISH LIST
Select a Section
Show/Hide
AIR SHROUD STARTER
BODY FITTING
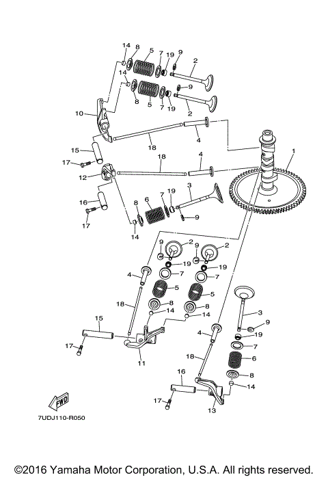
CAMSHAFT VALVE
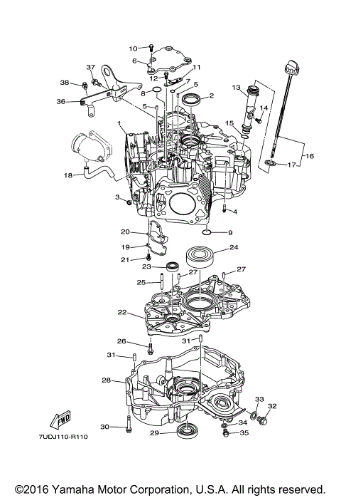
CRANKCASE
CRANKSHAFT
CRANKSHAFT PISTON
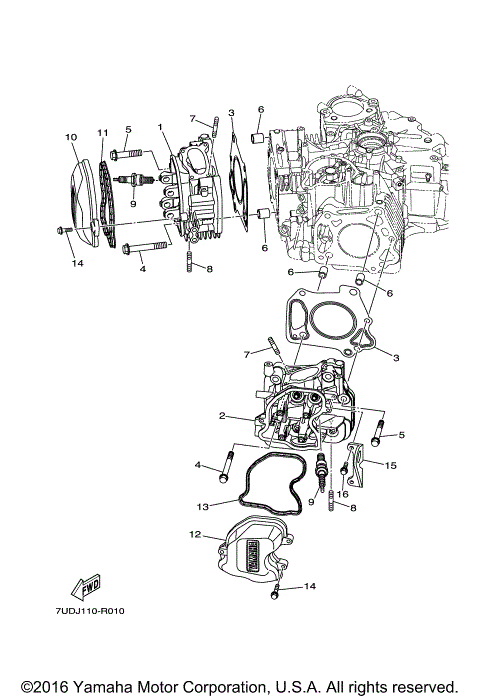
CYLINDER
ELECTRICAL
EMBLEM LABEL
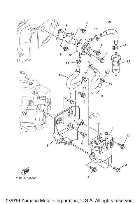
FUEL PUMP
GOVERNOR
INTAKE 1
INTAKE 2
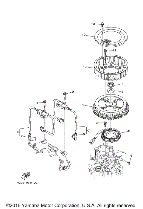
MAGNETO
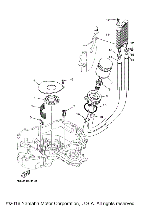
OIL COOLER
STARTING MOTOR
AIR SHROUD STARTER
BODY FITTING
CAMSHAFT VALVE
CRANKCASE
CRANKSHAFT
CRANKSHAFT PISTON
CYLINDER
ELECTRICAL
EMBLEM LABEL
FUEL PUMP
GOVERNOR
INTAKE 1
INTAKE 2
MAGNETO
OIL COOLER
STARTING MOTOR
VIEW WISH LIST